#global.skipToContent# #global.skipToSearch# #global.skipToNav#

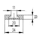
Binario di ancoraggio aereo in alluminio L 2998 mm non forato, P 34 mm, H 9,6 mm

Rotaie di ancoraggio delle linee aeree Alu L 2998 mm

Genere 
179,47 €
compr. 22% IVA , più Spedizione